Edwards nEXT85 Turbo Pump Introduction
Edwards nEXT85 Turbo Pump Introduction
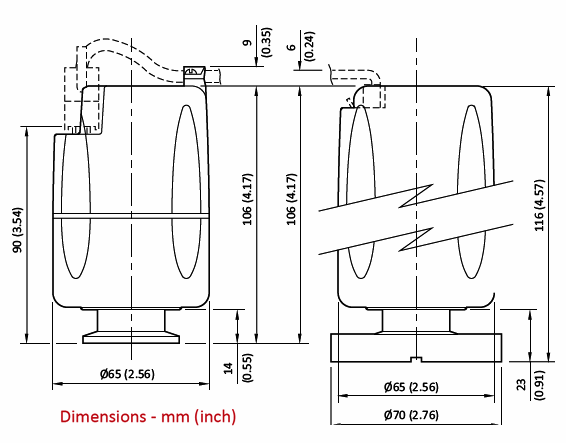
Overview
The nEXT85 turbomolecular pump builds upon the success of the highly successful EXT75DX to deliver a pump with significantly improved performance in a smaller package.
The rotor has been totally re-designed to optimise pump performance and achieve both higher speeds and higher compression while maintaining high levels of reliability.
In addition to enhanced performance nEXT85 benefits from the same service and operational functionalities from the larger nEXT range, including field serviceability and in-built intelligence, for a truly class leading product.
Features
- Class leading performance in a reduced footprint
 - Enhanced customer choice with standard and compression focused variants
 - Increased operating envelope maximised by Edwards’ patented direct impeller temperature measurement technology
 - Additional flexibility from customised interstage and backing port position selection
 - 4 year service with full end-user field serviceability
 - CMSD enabled low vibration levels
 - Intelligent pumps with included micro USB port and Edwards nST software allowing pump monitoring, control and configuration
 - Full suite of tailored accessories
 
Overview
The Edwards Wide Range Gauge (WRG) family offers the capability of single port pressure measurement in the range atmosphere to 10-9 mbar with a linear output. Its a compact solution, halving the space and connectivity hardware requirement, which can be all important in many applications. The WRG has many novel features, including a new patented striker, pushbutton calibration and set point controls and comprehensive diagnostics. The WRG is a cost-effective vacuum management solution when used either with a Edwards controller or directly integrated into the system controls.
Features and Benefits
- Microprocessor signal processing gives seamless transition between Pirani and magnetron outputs as well as linear output (log pressure scale)
 - D-type version including cable strain relief and enhanced ingress protection - IP44
 - Low magnetic field version (SL) available for sensitive applications e.g. mass spectrometry and electron microscopy
 - Easily programmed set point covering entire measuring range
 - Magnetron uses an advanced patented technique for highly reliable striking, even at high vacuum or in relatively
 - contaminated conditions
 - Automatic vacuum setting of Pirani gauge element
 - Single push button atmosphere setting
 - Extended service intervals and gauge lifetime, through reduction of HT voltage after ignition and low discharge current
 - Ultra compact, featuring recessed electrical connector
 - Easy service; both Pirani and magnetron elements are individually replaceable
 - Comprehensive failure mode diagnostics facility
 
Technology
The WRG is a combination gauge, using Pirani technology for the upper pressure range, with a seamless switch over to an inverted magnetron for the lower range. For ease of operation and more accurate pressure reading, the vacuum setting of the Pirani gauge is set automatically, while a single pushbutton sets atmospheric pressure. The WRG has an easy-to-program set-point which operates over the entire measurement range.
The magnetron uses an advanced technique for highly reliable striking, even at high vacuum or in relatively contaminated conditions. To optimize the lifetime of the gauge, the magnetron HT voltage is reduced after ignition and the magnetron operates with a low discharge current. The WRG meets EMC requirements for both light industrial emissions and heavy industrial immunity.
Applications
Any vacuum system where there is a need to measure pressure over a wide range. The WRG with an AGD represents a very simple and cost effective means of achieving this. The linear output and equation make WRG’s an attractive option for industrial OEM’s where the gauge may be directly integrated into the process controller. The WRG is suitable for a wide range of HV and UHV applications, however if your process will spend a significant amount of time between 5x10-4 and 5x10-3mbar then Edwards recommend using independent APG100 Pirani and AIM Penning gauges, as this will improve gauge reliability for your application.
Edwards TIC turbo & instrument controller is a compact turbo controller with a large clear graphical display, an intuitive user interface and serial communications providing full remote control and data logging functions via a new Windows™ based PC program. The controller automatically recognizes and supports one 24 V turbomolecular pump from the nEXT range. Cooling and vent valve support is provided directly from the controller. Mains backing pumps (up to nXDS20i/RV12) may be controlled via an optional relay box. 2 different power variants are available, 100W or 200W which determines the ramp speed of the turbo pump. In addition 200W models have the ability to power a 24Vdc backing pump such as our XDD1 or nXDS through a 15-way D. Turbo and instrument models add the ability to control up to 3 of our range of Active gauges (excluding IGC & Barocels).
TIC automatically recognizes and controls one 24 V turbomolecular pump from either the nEXT, DX or EXDC ranges. nEXT and DX turbos have full serial communication with TIC and may be both configured and report status via TIC. Both mains and 24 V backing pumps may be controlled by TIC. For larger vacuum systems the TIC may control mains backing pumps, up to and including nXDS10 and RV12, via the optional relay box. The optional external relay box enables mains backing pumps to be controlled and also provides interfaces for a turbo heater band, a backing line isolation valve and a logic bypass. See relay box section.
In most instances, TIC systems may be simply and quickly configured using the range of standard cables on offer, there is therefore no need for the customer to prepare loom assemblies or relay boxes and special interfaces. TIC is packaged in a compact case and may be panel or rack (¼ 19inch rack 3U) or bench mounted. With the addition of the bezel it becomes an attractive bench-top instrument.
The large 128 x 64 pixel backlit graphics LCD and mobile phone style menu system simplifies programming and with a choice of summary screens excellent visibility of displayed parameters is assured. TIC will operate from mains supplies with voltages between 90 and 264 V ac, and frequencies between 47 and 63 Hz. No user intervention being required. To enable complete integration into PC and PLC controlled processes, all TIC variants include RS232 and RS485 interfaces as standard. TIC is supplied with a new Windows™ PC program which enables full setup and control from a PC, using the RS232 interface. As new compatible products are released, TIC software may be simply upgraded using the special utility supplied with the Windows™ PC program. TIC software upgrades will be made available via e-mail and the Internet.
Optional Edwards mobile cart, roughing pump and valve package available, please call us for more information.
Payment & Security
Your payment information is processed securely. We do not store credit card details nor have access to your credit card information.










