Refurb 2023 Model (MY2327S006, MY2328S007)
Used, looks new, fully inspected
3 Month Warranty
The Agilent IDP-3 dry scroll pump is an innovative, compact, high-performance, oil-free vacuum pump that is suitable for a wide variety of applications. It is the smallest scroll pump made for general vacuum applications, which makes it easy to integrate into OEM systems, and it weighs only 21 pounds (9.5 kg). Yet with a pumping speed of 2.1 cfm (60 L/min) and a very low base pressure of 250 milliTorr, it is the highest-performing dry pump in its class.
Agilent IDP dry scroll pumps are oil-free, compact, quiet, high performance vacuum pumps. IDP pumps use a single-sided scroll design that allows for a straightforward 15 minute maintenance procedure with simple tools. Large pumping speeds and compact sizes are ideal for many applications in the research, analytical instrument, and laboratory markets.
IDP pumps are hermetic, with the motor and all bearings completely isolated from the vacuum path. This design extends the bearing life and provides clean, dry vacuum to the application. An inlet isolation valve is available as an integral option that adds no additional height to the pump. The IDP-10 uses an inverter driven motor, which provides uniform vacuum performance at all global frequencies and input voltages. Its uniform global performance and compact size make it an ideal choice for analytical instruments and industrial OEMs.
Â
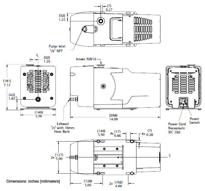
| Agilent IDP-3 Dry Scroll Pump Installation |
| Base pressure (50 Hz) - Torr & mbar |
2.5 x 10-1 Torr               3.3 x 10-1 mbar |
| Base pressure (60 Hz) - Torr & mbar |
2.5 x 10-1 Torr               3.3 x 10-1 mbar |
| Dimensions (WxHxL) |
5.5 in x 7.13 in x 14.09 in |
| Exhaust Connection |
¼ inch female NPT (10 mm hose barb provided) |
| Height |
7.13 in |
| Inlet Connection |
NW16 |
| Input Voltage |
1Ø, 115 V. 60 Hz |
| Length |
14.09 in |
| Noise Level |
55 dB(A) |
| Pumping Speed (50 Hz) |
1.8 CFM          3 m3/h          50 L/min |
| Pumping Speed (60 Hz) |
2.1 CFM          3.6 m3/h        60 L/min |
| UNSPSC Code |
40151502 |
| Width |
5.5 in |
| Standard package
Â
|
Payment & Security
Your payment information is processed securely. We do not store credit card details nor have access to your credit card information.



